生活污水处理器设备
(1)格栅
格栅的主要作用是将污水中的大块污物拦截,以免其对后续处理单元的机泵或管线造成损害.
(2)水解酸化池(调节池)
为了使管渠和构筑物正常工作,不受废水高峰流量或浓度变化的影响,需在废水处理设施之前设置调节池.调节池的作用是均质和均量,一般还可考虑兼有隔油,沉淀,混合,加药,中和和预酸化等功能,对水量和水质的调节,调节污水pH值,水温,还可用作事故排水.
(3)生物接触氧化法(污水处理设备)
本设备为处理系统的主体设备,设备为碳钢防腐结构,设备包含兼氧池,两级接触氧化池,沉淀池,接触消毒池,污泥储存池.接触氧化技术是一种好氧生物膜法工艺,接触氧化池内设有填料,部分微生物以生物膜的形式固着生长于填料表面,部分则是絮状悬浮生长于水中.因此它兼有活性污泥法与生物滤池二者的特点.接触氧化工艺中微生物所需的氧通常通过机械曝气供给.生物膜生长至一定厚度后,近填料壁的微生物将由于缺氧而进行厌氧代谢,产生的气体及曝气形成的冲刷作用会造成生物膜的脱落,并促进新生膜的生长,形成生物膜的新陈代谢.

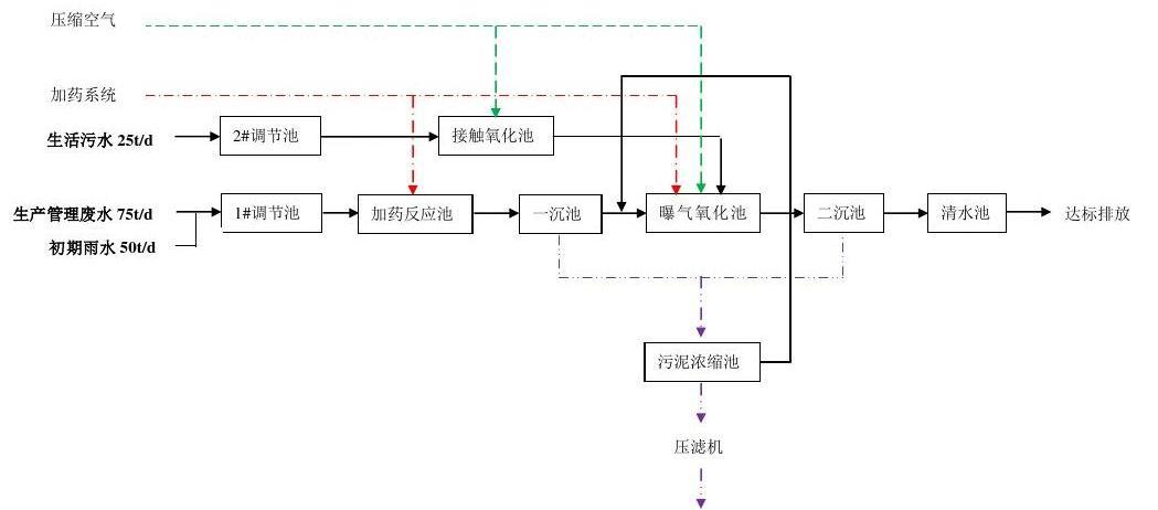
二、生活污水处理器设备工艺介绍:
污水处理技术级别程度划分,可分为一级,二级和三级处理.
一级处理,主要去除污水中呈悬浮状态的固体污染物质,物理处理法大部分只能完成一级处理的要求.经过一级处理的污水,BOD一般可去除30%左右,达不到排放标准.一级处理属于二级处理的预处理.
二级处理,主要去除污水中呈胶体和溶解状态的有机污染物质(BOD,COD物质),去除率可达90%以上,使有机污染物达到排放标准.
三级处理,进一步处理难降解的有机物,氮和磷等能够导致水体富营养化的可溶性无机物等.主要方法有生物脱氮除磷法,混凝沉淀法,砂滤法,活性炭吸附法,离子交换法和电渗分析法等.
整个过程为通过粗格栅的原污水经过污水提升泵提升后,经过格栅或者砂滤器,之后进入沉砂池,经过砂水分离的污水进入初次沉淀池,以上为一级处理(即物理处理),初沉池的出水进入生物处理设备,有活性污泥法和生物膜法,(其中活性污泥法的反应器有曝气池,氧化沟等,生物膜法包括生物滤池,生物转盘,生物接触氧化法和生物流化床),生物处理设备的出水进入二次沉淀池,二沉池的出水经过消毒排放或者进入三级处理,一级处理结束到此为二级处理,三级处理包括生物脱氮除磷法,混凝沉淀法,砂滤法,活性炭吸附法,离子交换法和电渗析法.二沉池的污泥一部分回流至初次沉淀池或者生物处理设备,一部分进入污泥浓缩池,之后进入污泥消化池,经过脱水和干燥设备后,污泥被处理后利用.

三、生活污水处理器设备的组成部分:
(1)格栅
格栅的主要作用是将污水中的大块污物拦截,以免其对后续处理单元的机泵或管线造成损害.
(2)水解酸化池(调节池)
为了使管渠和构筑物正常工作,不受废水高峰流量或浓度变化的影响,需在废水处理设施之前设置调节池.调节池的作用是均质和均量,一般还可考虑兼有隔油,沉淀,混合,加药,中和和预酸化等功能,对水量和水质的调节,调节污水pH值,水温,还可用作事故排水.
(3)生物接触氧化法(污水处理设备)
本设备为处理系统的主体设备,设备为碳钢防腐结构,设备包含兼氧池,两级接触氧化池,沉淀池,接触消毒池,污泥储存池.接触氧化技术是一种好氧生物膜法工艺,接触氧化池内设有填料,部分微生物以生物膜的形式固着生长于填料表面,部分则是絮状悬浮生长于水中.因此它兼有活性污泥法与生物滤池二者的特点.接触氧化工艺中微生物所需的氧通常通过机械曝气供给.生物膜生长至一定厚度后,近填料壁的微生物将由于缺氧而进行厌氧代谢,产生的气体及曝气形成的冲刷作用会造成生物膜的脱落,并促进新生膜的生长,形成生物膜的新陈代谢.


返回首页
电话
产品中心